【综述】合成氨尾气提取氩和LNG的技术进展和工艺
- 发表时间:2024-06-19
- 来源:本站
- 人气:8284
合成氨是化学工业的基础,也是我国化学工业发展的先驱,经过几十年的发展,我国合成氨工业在产业规模、国内自给能力、技术装置水平等方面得到了大幅提高。
在合成氨生产过程中合成气循环使用,甲烷浓度不能过高,因此必须由部分含氨、甲烷等为其排放(驰放气),以控制甲烷浓度,保证氨合成反应的正常进行。甲烷是一种温室气体,每吨甲烷造成全球暖化的威力比二氧化碳高出25倍,如果将驰放气直排,会造成环境污染和资源浪费,降价合成氨消耗。因此利用好合成氨的尾气,是解决环境污染和资源充分利用降低合成氨成本的有效途径。
合成氨驰放气是在合成氨工序产生的尾气,一般的用途是作为燃料气体。但驰放气含有许多经济附加值很高的成分,例如甲烷。氢气等一并作为燃料烧掉,是非常不经济的。因此将驰放气中的有价值成分提取出来这一直是业内的技改热门。低温分离制取LNG的技术可以解决驰放气中有价值成分提取出来的难题,既让对合成氨生产有用的氢气得到了回收利用,又让以前白白烧掉的甲烷有了更好的用途,液化后充装作为汽车、轮船的燃料,解决了合成氨尾气资源回收和环境保护的问题。
合成氨尾气提取氩及LNG工艺
合成氨驰放气是在合成氨工序中产生的尾气,该尾气中LNG含量一般在30%左右,还含有12%左右的氩气。一般的用途是作为燃料气体。但驰放气含有许多经济附加值很高的成分,一并作为燃料烧掉,是非常不经济的。因此利用低温分离技术从驰放气中回收LNG及液氩的技术,是一项比较成功、比较具有推广价值的技术改进。
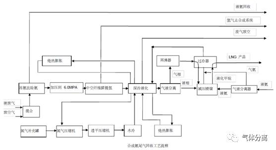
工艺为驰放气首先经过膜分离法或变压吸附法脱除其中的氢气,然后进入分子筛纯化系统除去其中的微量氨,出纯化系统的40℃的驰放气进入主换热器冷却至约-120℃,分成两路分别通过粗氩塔和精氩塔的蒸发器进一步冷却至约-160℃。然后进入闪蒸罐进行闪蒸,最后依次进入3个塔进行精馏分离。在精馏塔顶部得到氢氮气,氢氮气通过主换热器复热至30℃后送至合成氨单元。在粗氩塔和精氩塔的顶部得到低压氮气,低压氮气依次通过过冷器和主换热器复热至30℃后送补充氮压机。在精氩塔的塔底得到合格的LNG,塔顶得到需要的高纯度LAr。该工艺流程可以通过回收90%以上的甲烷和氩气,得到高纯度的LNG(甲烷含量 ≥95%)和LAr(氩含量≥99.999%)。
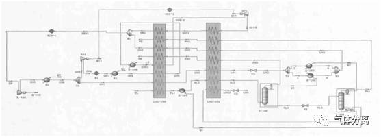
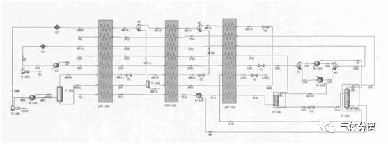
其工艺流程如图1,2所示:
图1 合成氨尾气回收模块图
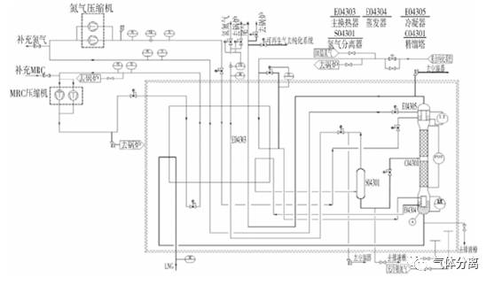
图2 合成氨尾气回收(三塔)工艺流程图
流程依靠压缩氮气在膨胀机中绝热膨胀产生装置所需的冷量,所产生的机械功又被增压机所回收;出膨胀机的氮气大部分复热后送回氮气压缩机,其中一小部分进入分馏塔参与精馏,这部分氮气从粗氩塔和精氩塔顶部抽出,经复热后也送回氮气压缩机,从而形成一个氮气封闭式的自补充循环流程,正常运行时不需要外部补充氮气,从而达到节能的效果。从精馏塔顶部出来的氢氮气经复热后可送回合成氨单元继续参与合成,从而使得驰放气中的氢气和氮气得到了回收利用,实现了资源的循环高效利用。
工艺对合成氨尾气中的一部分气体进行回收,实现了再利用。
甲烷是天然气、沼气、油田气及煤矿坑道气的主要成分,是优质燃料及制造氢气、碳黑、一氧化碳、乙炔、氢氰酸及甲醛等物质的原料;利用低温精馏分离技术手段对驰放气进行提纯,进而获得高纯度的液态甲烷,同时回收高纯氩作为商品出售,将具有显著的社会效益和经济效益。尤其是将甲烷作为车用燃料,不仅环保,而且运行成本仅相当于汽油燃料的三分之一到二分之一。
常规成套装置工艺及配置
装置工艺系统包括:原料气压缩、氨回收、水洗、干燥、液化分离和产品储存装车、控制及安全系统。
装置工艺原理:
工艺描述:储槽放空气经压缩机压缩后同合成塔的塔后放空气一同进入液化分离冷箱,在冷箱内回收到纯度为99%以上的气氨,送往冰机进口总管,经冰机循环后成为液氨产品,剩余的尾气进入水洗装置,将原料气中的氨净化至200ppm以下,然后进入干燥装置进行脱水处理,经干燥后原料气的露点达到-65℃以下,此时再送入液化分离冷箱,通过低温精馏操作,得到LNG产品和氢氮气,剩余的主要为氮气和氩气,经复温进入放空总管。
(1)原料气干燥
由2台吸附器连续循环使用,1台吸附器处于吸附阶段,另一台吸附器则处于吸附剂再生过程的吹冷和加热阶段。再生气采用精馏塔塔顶出来的尾气。再生后再生气送出界区。整个净化单元过程由程序自动完成。净化系统压力由调节阀控制。自干燥塔出来的气体经过粉尘过滤器进入主换热器。在出口的工艺管线上配置在线露点仪用以检测干燥效果,确保进入冷箱的原料气满足工艺要求。
(2)LNG液化提取和氢氮气的分离
分离原理为一个大气压下各物质的沸点:H2:-253℃;N2=-196℃;Ar=-186℃;CH4=-161℃。液化分离部分采用氮气间接膨胀剂制冷加精馏液化的流程。氮气膨胀循环制冷循环主要由氮气压缩机、透平膨胀机、冷箱等设备构成。通过循环为原料气的液化与精馏提供冷量。
一般装置的主要设备有:原料气压缩机、氨增压机、水洗工序、高压水泵、干燥工序器、粉尘过滤器、液化分离冷箱、氮气循环压缩机、制氮机、装车系统、LNG储罐等。
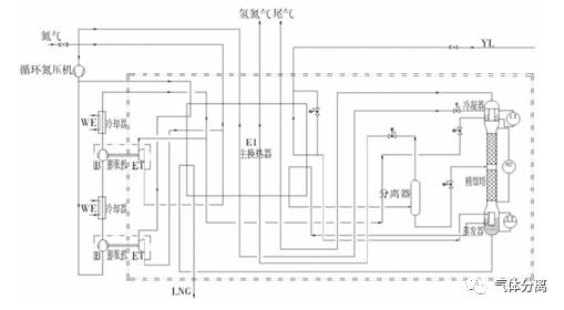
图3 合成氨驰放气低温分离装置工艺流程简图
膜分离耦合分离工艺流程
装置采用弛放气膜分离提浓CH4、预净化、增压透平膨胀机、填料精馏工艺,整套机组包括:膜分离系统、氮气循环压缩系统、预净化系统、分馏塔系统、液体贮存汽化系统、仪控系统、电控系统等。
A、弛放气的脱氢:
弛放气经膜分离提浓CH4装置脱除大部分氢和氨。
B、原料气的预净化:
预净化系统由两台分子筛吸附器组成,吸附原料气中的水份和气氨。两台分子筛吸附器交替工作,一台工作,另一台再生。切换系统由DCS程序控制,在保证等压力的情况下在两个吸附器间进行无差压切换,如果程序的任一个环节发生错误,控制程序会立刻暂停,并及时发出报警。
C、原料气的精馏:
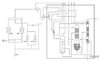
出吸附器的原料气直接进入主换热器冷却后,分成二股分别通过两个塔的蒸发器进行进一步冷却,然后再进入闪蒸罐进行闪蒸,最后依次进入三个精馏塔参与精馏,在最后一个精馏塔的塔底得到合格的LNG,塔顶得到液氩,产品液体经检验合格后送入贮槽。
前两个塔的顶部得到的混合气,依次通过过冷器和主换热器,复热后再送出。从一塔得到的尾气送回主装置,从二塔得到的尾气进入氮气循环装置,以减少外来氮气用量。
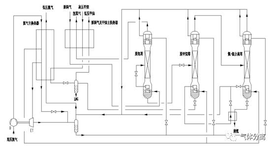
图4 合成氨尾气回收冷箱(不含膜分离脱氢)工艺流程图
合成氨尾气甲烷化制 LNG
合成氨驰放气压力较低,需增压后与合成氨放空气混合,根据混合气的流量和H2含量确定CO2的补充量,由于CO2原料气压力低,同样需要增压后再与含H2原料气混合。混合气在甲烷化反应器中进行催化反应,大部分H2转化为CH4。反应后的混合气增压至4.0 MPa进入脱水脱碳装置,净化后的混合气进入冷箱进行液化精馏,纯度较高的液化甲烷产品进入LNG贮罐贮存。液化所需冷量由氮气压缩/膨胀制冷循环装置提供。液化精馏过程中分离出的N2、Ar和微量的H2作为脱水脱碳分子筛的再生气。LNG贮罐的BOG(蒸发排放气)作为原料气被重新液化成产品。
合成氨驰放气和放空气配CO2甲烷化装置为例,其催化剂型号:M-349。
合成氨尾气回收提取LNG特点
图5 合成氨尾气回收提取LNG部分模块图
技术特点:
(1)工艺流程简单,能耗低,适应性强制冷能耗指标:0.5kWh/Nm³(LNG);(2)CH4回收率高,CH4回收率:95~99%(根据客户要求进行调节,适应性强);
(3)LNG纯度高LNG纯度:CH4≥99%,不凝气体N2、H2≤1%;
(4)富氢气高H2:≥70%;
(5)投资低,经济性好,静态回收周期一般低于2年;
(6)合作形式灵活(BT、EPC、PMC),建设周期8个月。
液化天然气工艺
目前应用的有两种,一种是膨胀机制冷,一种是混合冷剂制冷工艺。对于膨胀制冷流程,当制冷工质选用CH4或N2和CH4混合物作为制冷工质时,无法获得像氮气膨胀提纯液化流程那样低的温度,且膨胀机的工作受原料压力和组分的影响较大,国内还没有成熟的经验。针对某合成化工厂的富甲烷尾气提纯制LNG项目,设计了带冷冻机的氮气膨胀制冷工艺和混合冷剂节流制冷工艺,从能耗、操作和投资方面进行综合分析比较,选出最合理的设计方案。
图6 氮气循环双膨胀机制冷工艺流程图
图7 氮气循环双膨胀机制冷模拟计算
图8 混合制冷剂制冷工艺流程图
图9 混合制冷工艺模拟计算
结束语
科学技术的崛起才标志着中华民族的真正崛起,就在不久到来的2025年,中国的GDP将超越美国成为世界第一经济大国,中国的科技也将全面崛起,中华民族将为世界科学的进步做出更大的贡献。强大之国家,必由亿万精英所支撑,以浩然之正气,养浩然之人民,成浩然之大业,这一切的获得,将是依靠十三亿多智慧勤劳动敢付出有勇气克艰难的伟大人民所造就。毫无疑问,随着科技难关被逐步攻克并占领高峰,伟大祖国将成为世界的中心,全球将在中国的主导下发展和进步,首都北京将成为世界的中心,领先的高科技将由中国人民所创就,新思想,新理念,新潮流将从世界的东方涌入西方,世界也将会变得更加美好。
节能型回热式空气冷却塔、可在线清洗水系统、耦合式纯化吸附系统、智能机器人空分操作系统、带下塔蒸发器空分系统(换热器中抽进)、空冷器外挂太阳能热水系统、智能型防爆安保系统、智能型可飞行机器人危险物分析系统、15-60万等级特大型空分设备、稀有气体全提取流程等十大技术的成功研发,表明我国空分科学家的研究处于世界空分技术的最前沿水平,在世界上占据领先地位,同第十一代空分技术相比,上述十大空分技术节能较大,标志着第十二代空分技术在我国已经研发成功,并开始大面积推广应用。
目前全球已经形成杭氧、林德、川空、开空、法液空、普莱克斯、杭州川空、梅塞尔,福斯达、美国空气化工产品等世界空分设备设计制造第一梯队阵营,将会更好地促进全球低温科学技术的进步。如今如何打开国际市场,成为世界名牌,积极布局和大力发展气体运营,加快十万等级以下空分装置国产化和六万等级以下气体装置运营国产化的步伐,成为国内各大空分厂家及气体运营商所面临的难题和亟待解决的问题。
合成氨工艺作为煤化工最成熟的工艺,技术水平已经相当稳定,挖潜空间已经非常狭小。但在合成氨尾气回收的问题上,各个化工厂都尝试了多种方法以实现其合理利用,例如从水洗净氨变压吸附提氢工艺到膜提氢和无动力氨回收,虽然在不断进步,但回收效率仍然不够高,浪费很大,氢气的回收率能达到90%就非常不错了,并且尾气中的有效气体成分甲烷,都被送到锅炉燃烧了,产了蒸汽,回收价值不高。甲烷是天然气的主要成分,燃烧热值高,可以作为汽车、轮船、电厂等的燃料,是一种清洁能源。
合成放空气(驰放气)甲烷(LNG)回收技术是合成氨企业为了节能减排、改变产品单一性后又一大突破。随着社会对环境的日益关注和能源的日益短缺,综合利用合成氨厂合成放空气备受关注。合成放空气甲烷回收装置具有相对投资小、产品市场好、风险低、能耗低、装置操作弹性大和投资回报率高等优势。
弛放气资源循环利用项目,是针对合成氨放空气中所蕴含的氢气、甲烷、氩气等可再利用资源,经过氢预回收之后,然后采用低温液化分离的方式,得到高纯度的液态甲烷和液态氩等产品,废气返还回生产系统进行再利用,从而达到节能、减排和增效的目的。
《气体分离》杂志技术文章征稿邀请函
关于杂志:
《气体分离》杂志是由中国通用机械工业协会气体分离设备分会创办的国内第一本专门收集气体分离工程设备、配件、辅助材料的价格信息和市场供销行情的专业刊物。杂志秉承气体分离设备行业协会的核心理念,以促进行业交流,共谋行业发展为己任,致力于气体分离设备行业的技术和实践创新,为各级政府和企业决策者提供参考,是整个气体行业从业者的必备读物。
投稿须知:
面向全行业征集应用技术类文章,稿件必须原创,达到信息稿的基本要求:时效性、真实性、客观性。投稿者必须完整填写稿件要求项目,注明投向栏目,来稿一律不退,请作者自留底稿。请勿一稿多投,文责作者自负。
请注意以下几点说明:
1、来稿要求内容新颖充实、论点明确,数据可靠,条理清楚,文字简练、通畅。技术稿件5000字左右为宜。
2、论文准确提供题目、附摘要(100-150字),关键词(3-8)。摘要要求写得准确、简练、结构紧凑;关键词要选用能反映文章内容特征、通用性强,为同行所熟知的名词性单词或词组。
3、正文字数尽量控制在5000字以内;图表一般不超过5个,图表中若有外文一定要译成中文;外文字母分清大小写,科技术语、计量单位、符号、代号应符合国家标准;计量单位一律采用我国颁布的法定计量单位(SI制)。
4、请注明作者简介包括:出生年月、性别、民族、籍贯、职称、学位、研究方向、工作单位、职务、详细通讯地址及联系单位、E-Mail等。
5、投稿请使用Word文件格式,以“附件”形式发送电子邮件,来稿如有附图尺寸应在200mm x 100mm以内。
6、本刊编辑部对来稿有修改权,或通知作者修改,如不同意修改敬请注明。
欢迎广大读者用E-mail投稿
E-mail:qiti168@163.com
联系人:王编辑
电话:010-84675671
- 2025-08-26天然气容器装置收费受多种因素影响,储罐规格如何决定价格?
- 2025-08-26氧气储存容器制造企业哪家质量可靠?认识核心角度与挑选要点
- 2025-08-25液氨储罐检查计划有多重要?这些方面你得知道
- 2025-08-25液氩储罐示意图助您了解存放装置运作,其原理及应用领域解析
- 2025-08-05储罐材质对性能、安全及寿命影响几何?碳钢与不锈钢详析
- 2025-08-05LNG 储罐结构示意图,助你快速掌握关键部件及连接方式
- 2025-08-04液氨储罐区安全技术要点:选址布局、罐体设计与应急处理详解
- 2025-08-04天然气储罐安全保障:应急措施如何有效执行及应对泄漏火灾?
- 2025-07-28液氩储罐分类大揭秘:结构形式与压力等级各有何特点?
- 2025-07-28液氧储罐操作规程很关键!关乎安全与运行,充装前要这样做
- 2025-07-22液氩储罐与厂房间距多重要?关乎安全及法规要求
- 2025-07-22电线质量与使用安全:耐火阻燃检测标准及外观检查要点
- 2025-07-21二氧化碳气罐价格受多种因素影响,不同规格用途价格有别?
- 2025-07-21液氧储罐生产商核心地位凸显,多方面影响行业运作
- 2025-07-08二氧化碳储罐安全标准至关重要,使用时这些规则要牢记
- 2025-07-08化工生产常压液氨储罐:关键设施的安全隐患与安装要点?
-
液化天然气(LNG)储罐
冲压设备必须具备以下安全设施:⒈冲压设备上应··· -
液化石油气(LPG)储罐
冲压设备必须具备以下安全设施:⒈冲压设备上应··· -
液化石油气储罐撬装
冲压设备必须具备以下安全设施:⒈冲压设备上应··· -
液氯储罐
液氯储罐亦称液氯储槽,是盛装液氯介质的专用压···